现代自动化系统中,PLC需要与变频器、人机界面、远程IO等设备交换数据。西门子PLC支持多种通讯协议,工程师需根据数据量、实时性和距离选择合适的方案。Profi...
随着自动化系统复杂度的提升,采用结构化编程方法成为保障程序可维护性的重要手段。西门子PLC支持将系统功能划分为独立的程序模块,主要包括组织块(OB)、功能(FC...
合理规划数据存储是编写高质量PLC程序的前提。西门子PLC支持丰富的数据类型,理解它们的特点有助于优化内存使用和提升程序可读性。基本数据类型包括布尔型(Bool...
装配图用于表达机器或部件中各个零件之间的装配关系、相对位置和工作原理。与零件图不同,装配图的重点在于展示整体功能和配合关系,而非单个零件的完整细节。装配图通常包...
零件图是机械加工中的直接依据,它应当完整表达零件的结构形状、尺寸信息、技术要求以及材料规格。一张规范的零件图通常包含四个部分:一组视图、完整尺寸、技术要求和标题...
公差与配合是机械设计中连接零件功能要求与加工经济性的桥梁。公差分为尺寸公差、形状公差和位置公差三大类,分别控制零件的尺寸变动范围、单一要素的形态偏离以及各要素之...
尺寸标注是机械制图中传递制造信息的核心环节,标注的准确性和规范性直接影响零件的加工质量。尺寸标注需要遵循完整、清晰、合理的基本原则,既要标注出确定零件形状所需的...
机械制图的核心在于准确表达零件的形状和结构,而投影法正是实现这一目标的基础工具。正投影法通过平行投影线垂直投射到投影面上,能够真实反映物体的尺寸和形状,成为工程...
随着航空航天、能源动力等领域复杂曲面零件需求的增长,三轴数控加工已难以满足部分零件的几何与工艺要求。多轴(四轴、五轴)加工技术的应用日益广泛,其编程的核心难点之...
在数控加工中,当面对形状相似但尺寸变化频繁的零件,或需要实现非圆曲线(如椭圆、抛物线)的加工时,传统的G代码手动编程会变得异常冗长且修改困难。此时,宏程序作为一...
螺纹加工是数控车削编程中的典型应用,其工艺复杂性和精度要求较高。与传统普通车床相比,数控车床通过的主轴编码器反馈与刀具同步运动,能够实现高精度、率的螺纹加工。在...
数控编程的本质,是将设计意图转化为机床能识别的运动指令。在这一转化过程中,坐标系的建立与工件原点的合理设定,是确保加工精度与效率的基石。在数控系统中,主要涉及三...
很多人把CAD制图理解为“画出来就行”,但真正有经验的工程师知道,一张图纸的优劣,最终要由车间来检验。好的图纸,是画给机器和工人看的,更是画给工艺和加工看的。所...
CAD是二维绘图软件,但用CAD的人,脑子里必须有三维修养。从三维到二维的转化能力,是区分“绘图员”和“设计师”的重要标志。为什么需要三维思维?因为实际零件是立...
很多人接触CAD时,把注意力都放在命令怎么用、快捷键怎么记上。这本身没错,但如果只停留在操作层面,很难真正用好这个工具。CAD制图的本质,是用的几何语言,表达设...
UG曲面建模模块是处理复杂外形产品的核心工具,其功能覆盖从基础曲面构建到高级光顺处理的完整流程。在汽车外饰、消费电子等领域,曲面品质直接决定产品外观感知质量,掌...
在产品研发流程中,UG模型常需转换为其他格式用于加工仿真、有限元分析或下游协作。不同数据交换格式具有特定应用场景,掌握UG的导出设置与精度控制方法,可有效减少数...
UG装配模块为复杂产品设计提供了两种主要工作流程:自底向上设计与自顶向下设计。理解两种路径的适用场景与操作方法,有助于团队协作效率的提升与设计意图的准确传递。自...
草图作为UG建模的基础单元,其绘制质量直接影响后续三维特征的稳定性与修改灵活性。掌握草图环境的参数化驱动逻辑,是提升建模效率的关键路径。UG草图模块并非简单的线...
在数字化设计制造流程中,UG(现亦称NX)的三维建模与二维制图模块承担着承上启下的关键作用。许多初学者的认知误区在于将三维建模与二维制图视为两个独立环节,实则二...
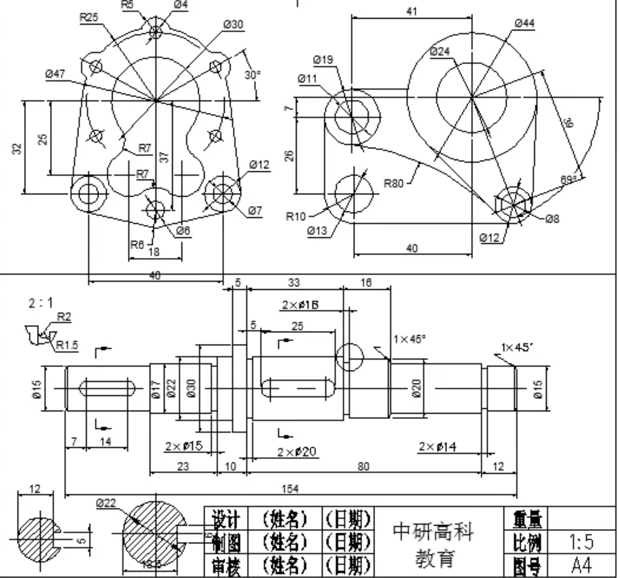
机械产品的种类繁多,但构成它们的零件可以根据形状和功能特征,大致分为轴套类、盘盖类、叉架类和箱体类。针对不同类型的零件,机械制图有着相对固定的表达模式和尺寸分析...
机械零件的质量,不仅取决于其宏观几何形状的准确性,更受到表面微观几何特征以及尺寸波动范围的影响。表面粗糙度与公差配合的合理选用与准确标注,是保证机械产品性能与寿...
尺寸标注的规范性与工艺性考量在机械制图中,图形仅表达了零件的形状,而尺寸标注则赋予了其具体的度量信息。一套完整且合理的尺寸标注,不仅需要保证尺寸的完整性,更要兼...
在机械设计过程中,工程图样作为技术交流的语言,其视图选择的合理性与表达策略的准确性直接关系到设计意图的传递效率。视图选择的根本目的在于用最少的图形,最清晰地描述...
特别提醒:本页面所展现的公司、产品及其它相关信息,均由用户自行发布。
购买相关产品时务必先行确认商家资质、产品质量以及比较产品价格,慎重作出个人的独立判断,谨防欺诈行为。